IoT Based Smart Electricity Energy Meter
ABSTRACT
An electricity energy meters installed in everyone’s house or offices to measure the electricity consumption. We have to look at the energy meter once in a while. But what if we can monitor our electricity uses from anywhere in the world and get an SMS/E-mail when our energy consumption reaches a threshold value. This project aims to acquire the remote electrical parameters like voltage and current and send these real-time values over the IoT network using a Wi-Fi module. In this project, electrical energy meters which are already installed at our houses are not replaced, but a small modification on the already installed meters can change the existing meters into smart meters. The use of a Wi-Fi module provides a feature of notification through IoT applications.
Objectives
The main aim of this study is to design and develop a fully functional “Automated Energy Metering and Monitoring System” having innovative capabilities like remote metering, theft detection and controlling the electricity supply to the consumer. The research is about to handle all the information of the consumer regarding energy consumption using a software system. The size of smart meters and traditional meters is same and smart meters are digital. Smart Energy Meter
measures more detailed readings than Kwh so that utility can plan the expansion of network and power quality. The Smart Energy Meter is designed so that it measures voltage and load currents by the use of voltage and current sensors instead of potential and current transformers and then feeds these values of voltage and current into power factor controller IC and energy metering IC the power factor and power calculations respectively.
The main features of smart energy meter are listed as follows;
Overview
- Get automatic reading of Energy Meter and sent it to consumer as well as to utility.
- In reading it measures Voltage, Load Current, Real power, Reactive power, Power factor and units consumed.
- Utility is able to cutoff/restore the supply of the defaulter through our mobile.
- Smart Energy Meter responds to the SMS and sends we back the readings whenever it is asked.
- Consumer is able to check the status of his load from anywhere in the world.
Major Equipment’s
1. ESP-32
2. Residual current device (RCD )
3. Center tape transformer
4. Single phase energy meter
5. LCD display
6. I2C adapter
7. Voltage sensor(ZMPT101B)
8. Current sensor(ACS712)
9. Diode(IN4007)
10. Capacitor(50v 10uf)
11. Voltage Regulator(7805)
12. Boost Converter
13. Dot matrix PCB board
2. Residual current device (RCD )
3. Center tape transformer
4. Single phase energy meter
5. LCD display
6. I2C adapter
7. Voltage sensor(ZMPT101B)
8. Current sensor(ACS712)
9. Diode(IN4007)
10. Capacitor(50v 10uf)
11. Voltage Regulator(7805)
12. Boost Converter
13. Dot matrix PCB board
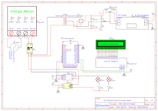
Circuit Diagram
Circuit diagram of IoT based smart electrical energy meterAll Resources file download link |
Overview
This smart meter helps in-home applications using IoT and enabling wireless communication, to control home appliances remotely over the cloud from anywhere in the world. This IoT and Arduino based energy meter reading system is
use to monitor the reading by the use web server. An advanced energy meter accurately measures electrical energy consumption and provides extra information because compared to a conventional energy meter; the system is developed by the ESP-32.The proposed IoT based energy meter reading is implemented using two nodes, one on the consumer end and one for the Web server. In the proposed project voltage sensor and current sensor is used to sense the electrical parameters
and display it on internet using IoT is achieved, also real time monitoring of different parameters. It works both automatically and manually. It provides ease in taking the meter readings, accuracy, detection of faulty conditions, power factor calculation, less operation cost and removal of possible corruption related to meter reading. It reduced the human efforts as well as it eliminated the human dependency for the process.
0 Comments